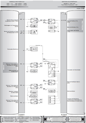
DIAGRAMAS AUTOMOTRICES
STRADA 1.3 08V (2002/04) FIRE
Inicio
Suscribirse a:
Comentarios (Atom)
TESLA
FIAT
500 BRAVO DOBLO FIORINO FREEMONT IDEA LINEA MAREA MOBI PALIO PALIO WEEKEND PREMIO PUNTO SIENA STILO STRADA TEMPRA TIPO UNO
GM CHEVROLET
ANGILE ASTRA AVEO BLAZER C20 CALIBRA CAPTIVA CELTA COBALT CORSA CORSA SEDAN CRUZE KADETT MERIVA MONTANA MONZA OMEGA ONIX PRISMA S-10 SIL...
RENAULT
CLIO CLIO II CLIO III DUSTER FLUENCE KANGOO LAGUNA LOGAN MEGANE MEGANE II MEGANE III R19 R21 R25 SANDERO SYMBOL TWINGO